一、客户需求供货范围此系统为多种有机物料的安全密闭输送计量系统,从小包来料至粉料输送进入搅拌釜,提供安全输送,精准计量入釜(包括其中所有的斗、槽、罐、釜)。 
(1)整体工程进行现场安装,采用不锈钢材质,系统防爆设计,电控柜设置在非防爆控制室,现场设立防爆电控箱操控,包括整系统有效接地导出静电。
(2)负责输送系统所需钢结构及设备。 二、输送流程系统图
1、树脂一车间固体铵釜——粉粒体输送(仓泵正压输送,粉料)。 
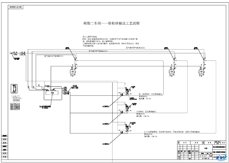
2、树脂二车间固体铵釜——粉粒体输送(ACU正压输送,片状料或粒料) 
3、水杨酸车间——尿素输送:(ACU正压输送,粒料) 
6、乙炔树脂车间——粉粒体输送(管链提升机)

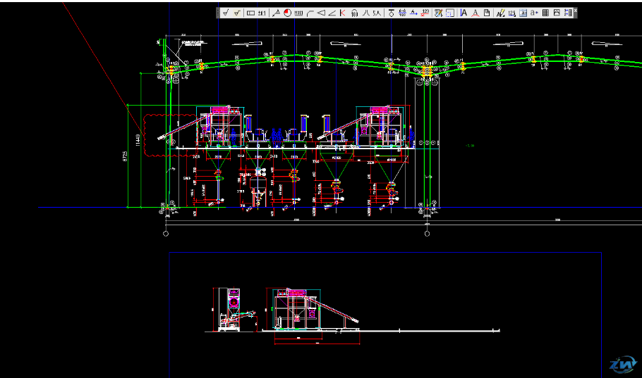
三、现场设备安装情况 






















|